Série YUKEN « G » G-DSG-01 G-DSG-03 Vannes directionnelles pilotées à solénoïde de type sans choc G-DSHG-04 G-DSHG-06
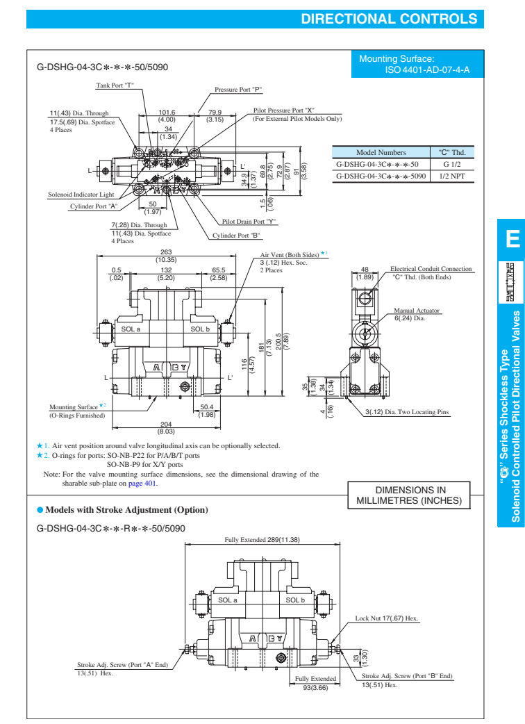
Les distributeurs directionnels à solénoïde de la série G intègrent des circuits électroniques permettant de régler le temps de changement de bobine. Une forme de bobine spéciale qui minimise les chocs est utilisée, les chocs provoqués par le démarrage et l'arrêt de l'actionneur, ainsi que les vibrations dues aux coups de bélier. Les vannes électromagnétiques conventionnelles, sans choc et directionnelles sont constantes et ne peuvent pas être ajustées. Comme le temps de changement de vitesse des vannes de la série G peut être ajusté, il peut être réglé à un niveau optimal pour minimiser les chocs sur la machine. Les vannes directionnelles actionnées par solénoïde de la série ne peuvent pas être réglées pour des débits maximaux. Pour régler les débits maximaux, utilisez des vannes de régulation de débit. Dans les valves directionnelles pilotées à commande solénoïde de la série G (G-DSHG-04/06), le débit maximum peut être ajusté à l'aide de la valve avec vis de réglage de course en option.


|
YUKEN Série G G-DSG-01 G-DSG-03 Type sans choc à solénoïde G-DSHG-04 G-DSHG-06 Vannes directionnelles pilotées à commande solénoïde |






|
|

étiquette à chaud: Yuken série "g" g-dsg-01 g-dsg-03 type sans choc actionné par solénoïde g-dshg-04 g-dshg-06 vannes directionnelles pilotées à commande solénoïde













